The only reference in the service manual is in Ch 7A for PA28R's. Toe in is 0 +/-1/2*. Page 2I11 starts the procedure, and the correction table is on 2I12. I see no reference to setting camber.
Thanks Tom. I saw this in the Service Manual. I saw on the internet, they use shims in the upper scissor dog ear. Not sure how this will affect the camber??
A quick thought, too early and not enough coffee yet, is that shimming the scissors at all will only remove play from the scissor to housing hardware, and won't change camber on the wheel at all. Thinking logically, again no reference in the AMM, you'd want to take the wheel off the axle and ensure it's level. If not, you could shim the torque plate to strut hardware to level the axle and reassemble. That should true the camber, then reset the toe-in.
Tom, I suspect he's dealing with a slightly bent axle or some other geometry problem on the gear leg. Obviously shimming the torque links only corrects toe issues.
X55, what is the exact issue you are trying to correct.? Carl
50yrs A/P IA DAL A/C inspector. 172N Rotax IRMT 912/914
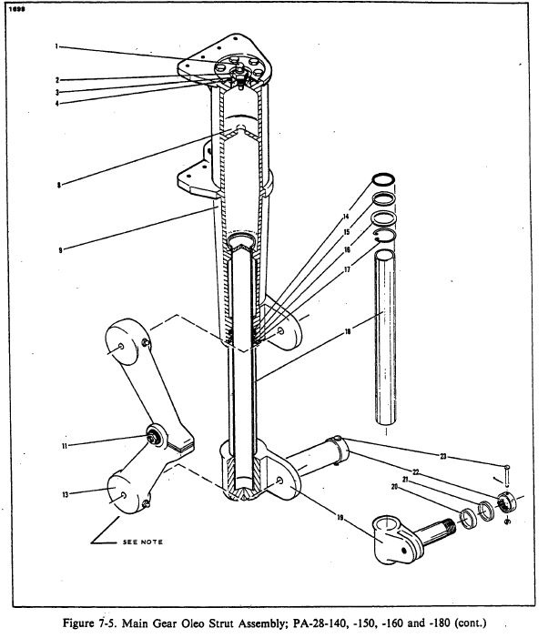
Hey planewrench, one of the main tires is wearing unevenly. The inboard side of the tire has no tread while the outboard side has about 1/4 tread left. The upper scissor dog ear on the the ldg strut is tight no room for any shims. I did notice on the annual the mid scissor bolt was sloppy. Installed new tire and tube, tighten the bolt and will start to measure the toe-in and camber.. The axle is an integral part of the lower strut (see pic). I plan on removing the wheel and lower the A/C on wooden V-Blocks the same height as the other wheel axle. Measure the axle angle relative to a waterline and to do the same procedure to the other wheel and compare the results. The other tire wears evenly.
Yeah I had a strong suspicion that was going to be your issue you were talking about. You are correct to measure the angle of the axle.
Suggest you just level the airplane on Jacks, measure left and right axles with a digital protractor will probably give you a good idea if you're wearing sid is slightly bent.
Surprisingly the maintenance manual for the PA 28 series doesn't give any information on fixed landing gear alignment. However for the PA 28R toe in is plus or minus half a degree. They use a simple procedure of a straight edge across both wheels with a carpenter square. Might be worth checking. Carl
50yrs A/P IA DAL A/C inspector. 172N Rotax IRMT 912/914
The issue you're having sounds more like toe than camber. When you land it will drag the tire instead of it running straight. Install the shims in the side required, torque, safety and lubricate. I usually completely remove the whole link, clean the fire out of it and reinstall with all new grease. Please do it under the supervision of an A&P (if you aren't one) because you can really mess things up making it too tight or loose.
Comments
The only reference in the service manual is in Ch 7A for PA28R's. Toe in is 0 +/-1/2*. Page 2I11 starts the procedure, and the correction table is on 2I12. I see no reference to setting camber.
Tom Jackson
PA28RT-201, N3022U
Tappahannock, VA (KXSA)
A&P/IA, Private Pilot, IR/A
Thanks Tom. I saw this in the Service Manual. I saw on the internet, they use shims in the upper scissor dog ear. Not sure how this will affect the camber??
A quick thought, too early and not enough coffee yet, is that shimming the scissors at all will only remove play from the scissor to housing hardware, and won't change camber on the wheel at all. Thinking logically, again no reference in the AMM, you'd want to take the wheel off the axle and ensure it's level. If not, you could shim the torque plate to strut hardware to level the axle and reassemble. That should true the camber, then reset the toe-in.
Tom Jackson
PA28RT-201, N3022U
Tappahannock, VA (KXSA)
A&P/IA, Private Pilot, IR/A
Tom, I suspect he's dealing with a slightly bent axle or some other geometry problem on the gear leg. Obviously shimming the torque links only corrects toe issues.
X55, what is the exact issue you are trying to correct.? Carl
50yrs A/P IA DAL A/C inspector. 172N Rotax IRMT 912/914
Hey planewrench, one of the main tires is wearing unevenly. The inboard side of the tire has no tread while the outboard side has about 1/4 tread left. The upper scissor dog ear on the the ldg strut is tight no room for any shims. I did notice on the annual the mid scissor bolt was sloppy. Installed new tire and tube, tighten the bolt and will start to measure the toe-in and camber.. The axle is an integral part of the lower strut (see pic). I plan on removing the wheel and lower the A/C on wooden V-Blocks the same height as the other wheel axle. Measure the axle angle relative to a waterline and to do the same procedure to the other wheel and compare the results. The other tire wears evenly.
Yeah I had a strong suspicion that was going to be your issue you were talking about. You are correct to measure the angle of the axle.
Suggest you just level the airplane on Jacks, measure left and right axles with a digital protractor will probably give you a good idea if you're wearing sid is slightly bent.
Surprisingly the maintenance manual for the PA 28 series doesn't give any information on fixed landing gear alignment. However for the PA 28R toe in is plus or minus half a degree. They use a simple procedure of a straight edge across both wheels with a carpenter square. Might be worth checking. Carl
50yrs A/P IA DAL A/C inspector. 172N Rotax IRMT 912/914
Thanks Carl. Checking the toe is my next project. I know it was way off since the mid scissor bolt was a lot loose.
The issue you're having sounds more like toe than camber. When you land it will drag the tire instead of it running straight. Install the shims in the side required, torque, safety and lubricate. I usually completely remove the whole link, clean the fire out of it and reinstall with all new grease. Please do it under the supervision of an A&P (if you aren't one) because you can really mess things up making it too tight or loose.
Kyle LaMontagne
AP/IA, PPL
1974 PA-28-140
N41383
Thanks cherokee383, What and where are the shims you are referring to? Do you have a page number in the Service Manual or a part number? Thanks
494 308 is the part number. They call it a gear washer. It is a very thin piece that's the size of the rounded end of the link.
Kyle LaMontagne
AP/IA, PPL
1974 PA-28-140
N41383